Арт.: 94480
7 920 руб./шт
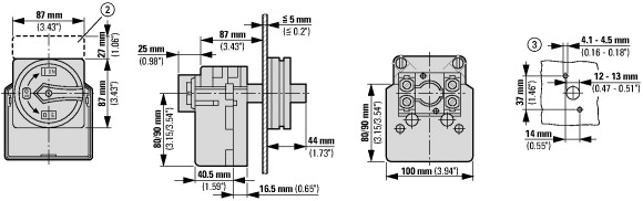
907892 Специальные выключатели, T3, 32 A, Промежуточный монтаж, 2 Модуль (модули) (T3-2-SOND*/V/SVB)
Арт.: 92363
12 650 руб./шт
