Описание
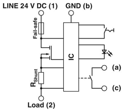
Электронный защитный выключатель, 1-полюсный, активное ограничение тока, 1 замыкающий контакт, штекер для базового элемента.
Преимущества для Вас
- Компактная конструкция с точной дифференциацией номинального тока
- Возможность модульного расширения благодаря единой концепции вставных корпусов
- Продуманная концепция телесигнализации обеспечивает не зависящий от конкретного места мониторинг
- Замыкающий контакт для телесигнализации рабочего состояния
- Активное ограничение тока, даже при емкостных нагрузках
- Возможность перемыкания сетей питания / телесигнализации при помощи принадлежностей CLIPLINE
Коммерческие данные
| Код заказа | 2800904 |
|---|---|
| Упаковочная единица | 1 stk |
| Страница каталога | Стр. 322 (C-4-2017) |
| GTIN | 4046356690744 |
| Вес/шт. (без упаковки) | 35,500 GRM |
Размеры
| Высота | 45 мм |
|---|---|
| Ширина | 12,3 мм |
| Глубина | 52 мм |
| Комбинированный модуль, высота | 90 мм |
| Ширина комбинированного модуля | 12,3 мм |
| Комбинированный модуль, глубина | 77,3 мм |
Окружающие условия
| Температура окружающей среды (при эксплуатации) | -25 °C ... 50 °C (без выпадения конденсата) |
|---|---|
| Температура окружающей среды (хранение/транспорт) | -40 °C ... 70 °C |
| Определение влажности | 96 ч, 95 % ОВ, 40 °C |
| Вибрация (при эксплуатации) | 3г (Согласно МЭК 60068-2-6, Test Fc) |
| Степень защиты | IP30 (Область срабатывания) |
Общие сведения
| Указания по монтажу | При установке в ряд без охлаждения при естественной конвекции номинальный ток устройства в следствие термического воздействия при продолжительной эксплуатации (100 % ED) должен составлять макс. 80 %. В установках и механизмах должны применяться специальные меры для исключения повторного запуска частей установки (напр. использование контроллера с функцией безопасности). Параллельное подсоединение большого количества защитных выключателей недопустимо. |
|---|---|
| Класс воспламеняемости согласно UL 94 | V0 |
| Тип монтажа | на основной элемент |
| Цвет | cерый |
| Полюсов | 1 |
| Степень загрязнения | 2 |
| Конструкция | Штекер |
Электрические данные
| Тип предохранителей | электрон. |
|---|---|
| Расчетное импульсное напряжение | 0,5 кВ |
| Рабочее напряжение | 24 В DC |
| 18 В DC ... 30 В DC | |
| Номинальный ток IN | 4 A |
| активное ограничение тока | тип. 1,25 x IN |
| Ток покоя I0 | тип. 8 мА (во включенном состоянии) |
| тип. 17 мА (с сигнальным выходом) | |
| Рассеиваемая мощность | 0,81 Вт (в номинальном режиме работы) |
| Ухудшение показателей от температуры | 4 A (при 50 °C) |
| Тип срабатывания | E (электрон.) |
| Требуемые номиналы предохранителей | не требуется, встроенный элемент Fail-Safe |
| Электрическая прочность | макс. 30 В DC (Цепь нагрузки) |
| Падение напряжения | 100 мВ (при IN) |
| Время на отключение в цепи нагрузки | 200 мс (см. графики зависимости тока от времени) |
| Отключение при пониженном напряжении в цепи нагрузки | |
| > 17 В (тип. ВХОД) | |
| Макс. емкостная нагрузка в цепи нагрузки | 20000 мкФ |
| Тип контактирования вспомогательного контакта | сухой сигнальный контакт |
| минимальное рабочее напряжение вспомогательного контакта | 10 В DC |
| Максимальное рабочее напряжение вспомогательного контакта | 30 В DC |
| минимальный рабочий ток вспомогательного контакта | 10 мА |
| максимальный рабочий ток вспомогательного контакта | 0,5 A |
Стандарты и предписания
| Стандарты/нормативные документы | UL 2367 одобренный UL |
|---|---|
| UL 508 зарегистрированный UL/C-UL | |
| EMV EN 61000-6-3 Излучение электромагнитных помех | |
| EMV EN 61000-6-2 Помехоустойчивость |
Environmental Product Compliance
| REACh SVHC | |
|---|---|
| Lead 7439-92-1 | |
| China RoHS | Период времени для применения по назначению (EFUP): 50 лет |
| Информация об опасных веществах приведена в декларации производителя во вкладке «Загрузки» |
Классификация
eCl@ss
| eCl@ss 4.0 | 27141116 |
|---|---|
| eCl@ss 4.1 | 27141116 |
| eCl@ss 5.0 | 27141116 |
| eCl@ss 5.1 | 27141100 |
| eCl@ss 6.0 | 27141100 |
| eCl@ss 7.0 | 27141116 |
| eCl@ss 8.0 | 27141116 |
| eCl@ss 9.0 | 27141116 |
ETIM
| ETIM 3.0 | EC000899 |
|---|---|
| ETIM 4.0 | EC000899 |
| ETIM 5.0 | EC000899 |
| ETIM 6.0 | EC000899 |
| ETIM 7.0 | EC000899 |
UNSPSC
| UNSPSC 6.01 | 30211812 |
|---|---|
| UNSPSC 7.0901 | 39121411 |
| UNSPSC 11 | 39121411 |
| UNSPSC 12.01 | 39121411 |
| UNSPSC 13.2 | 39121410 |
Данный товар вы всегда сможете купить по низкой цене с доставкой у нас в магазине МВБ по номеру телефона 8 495 185-05-44 или написав на почту zakaz@security-master.ru
Характеристики
| В наличии | Да |
| Срок поставки | 14-16 недель |
| Характеристики | Вес, шт |
