Описание
Программа поставок
Ассортимент | Однофазные управляющие трансформаторы ST… | ||
Основная функция | Однофазные управляющие трансформаторы STN | ||
Номинальное входное напряжение | В | 100 – 690± 5 % | |
Номинальное напряжение на выходе | В | 100 – 690 | |
Номинальная мощность | кВА | 1 | |
кратковременная мощность | кВА | 3.28 | |
| Cu factor 0,02 | |||
указания
STN0,1(*/*) 1. заглушка номинальное напряжение входа 2. заглушка номинальное напряжение входа Пример заказа
Правильное обозначение типа STN0,1(200/18,5) автомат защиты трансформаторов ?#088907 |
Технические характеристики
| Общая информация | |||
Стандарты и положения | |||
изготовлены и испытаны в соответствии с требованиями | IEC/EN 61558-2-2 VDE 0570 часть 2-2 | ||
применяется после | IEC/EN 60204-1, OVE-EN 13 VDE 0113, VDE 0100 часть 410 | ||
Температура окружающей среды | -25-40 | ||
| Характеристики | |||
Соединительные клеммы | ? (< 115 A) | ||
Соединительные шины | ? (> 115 A) | ||
Класс изоляции | B | ||
Номинальная частота | Гц | 50-60 | |
Отвод первичный | ± 5 % | ||
Класс защиты | IP00 | ||
Раздельные обмотки | ? | ||
в сборе с вакуумной пропиткой | ? | ||
Номинальная продолжительность включения | % продолжительность включения | 100 | |
| электрические параметры | |||
Примечание | На значения потерь холостого хода, потерь при коротком замыкании, напряжения короткого замыкания и коэффициента полезного действия распространяется правило: все данные относятся к температуре 20 °C | ||
Общий вес | кг | 12.4 | |
Потери на холостом ходу | W | 33 | |
Потери в результате короткого замыкания | W | 26 | |
напряжение короткого замыкания | % | 2.2 | |
Коэффициент полезного действия | 0.94 |
Bauartnachweis nach IEC/EN 61439(Sachmerkmale anzeigen)(Sachmerkmale verbergen)
Технические характеристики для подтверждения типа конструкции | |||
Номинальный ток для указания потери мощности | In | A | 0 |
Потеря мощности на полюс, в зависимости от тока | Pvid | W | 0 |
Потеря мощности оборудования, в зависимости от тока | Pvid | W | 0 |
Статическая потеря мощности, не зависит от тока | Pvs | W | 59 |
Способность отдавать потери мощности | Pve | W | 0 |
Мин. рабочая температура | °C | -25 | |
Макс. рабочая температура | °C | 40 | |
Проверка конструкции IEC/EN 61439 | |||
10.2 твёрдость материалов и деталей | |||
10.2.2 Коррозионная стойкость | Требования производственного стандарта выполнены. | ||
10.2.3.1 Нагревостойкость изоляции | Требования производственного стандарта выполнены. | ||
10.2.3.2 Сопротивление изоляционных материалов при обычном нагреве | Требования производственного стандарта выполнены. | ||
10.2.3.3 Сопротивление изоляционных материалов при сильном нагреве | Требования производственного стандарта выполнены. | ||
10.2.4 Устойчивость к ультрафиолетовому излучению | Требования производственного стандарта выполнены. | ||
10.2.5 Подъём | Не имеет значения, поскольку необходимо оценить всё коммутационное оборудование. | ||
10.2.6 Испытание на удар | Не имеет значения, поскольку необходимо оценить всё коммутационное оборудование. | ||
10.2.7 Ярлыки | Требования производственного стандарта выполнены. | ||
10.3 Класс защиты изоляции | Не имеет значения, поскольку необходимо оценить всё коммутационное оборудование. | ||
10.4 Воздушные промежутки и пути утечки тока | Требования производственного стандарта выполнены. | ||
10.5 Защита от удара электрическим током | Не имеет значения, поскольку необходимо оценить всё коммутационное оборудование. | ||
10.6 Монтаж оборудования | Не имеет значения, поскольку необходимо оценить всё коммутационное оборудование. | ||
10.7 Внутренние электрические цепи и соединения | Находится в сфере ответственности компании, монтирующей распределительные устройства. | ||
10.8 Подключения проводов, введённых снаружи | Находится в сфере ответственности компании, монтирующей распределительные устройства. | ||
10.9 Свойства изоляции | |||
10.9.2 Электрическая прочность при рабочей частоте | Находится в сфере ответственности компании, монтирующей распределительные устройства. | ||
10.9.3 Прочность по отношению к импульсному напряжению | Находится в сфере ответственности компании, монтирующей распределительные устройства. | ||
10.9.4 Проверка оболочек кабелей из изолирующего материала | Находится в сфере ответственности компании, монтирующей распределительные устройства. | ||
10.10 Нагрев | Расчёт параметров нагрева находится в сфере ответственности компании, монтирующей распределительные устройства. Компания Eaton указывает данные по потере мощности устройств. | ||
10.11 Стойкость к коротким замыканиям | Находится в сфере ответственности компании, монтирующей распределительные устройства. Соблюдать указания для коммутационных устройств. | ||
10.12 Электромагнитная совместимость | Находится в сфере ответственности компании, монтирующей распределительные устройства. Соблюдать указания для коммутационных устройств. | ||
10.13 Механическая функция | Для устройства требования считаются выполненными, если были соблюдены данные инструкции по монтажу (IL). |
Технические характеристики согласно ETIM 6.0(отобразить признаки изделий)(скрыть признаки изделий)
| Low-voltage industrial components (EG000017) / One-phase control transformer (EC002486) | |||
| Electric engineering, automation, process control engineering / Transformer, converter, coil / Control transformer / One-phase control transformer (ecl@ss8.1-27-03-13-02 [AAB620012]) | |||
Built as safety transformer | No | ||
Built as isolating transformer | No | ||
Built as energy saving transformer | No | ||
Primary voltage 1 | V | 100 - 690 | |
Primary voltage 2 | V | 0 - 0 | |
Primary voltage 3 | V | 0 - 0 | |
Primary voltage 4 | V | 0 - 0 | |
Primary voltage 5 | V | 0 - 0 | |
Primary voltage 6 | V | 0 - 0 | |
Primary voltage 7 | V | 0 - 0 | |
Primary voltage 8 | V | 0 - 0 | |
Primary voltage 9 | V | 0 - 0 | |
Primary voltage 10 | V | 0 - 0 | |
Secondary voltage 1 | V | 12 - 250 | |
Secondary voltage 2 | V | 0 - 0 | |
Secondary voltage 3 | V | 0 - 0 | |
Secondary voltage 4 | V | 0 - 0 | |
Secondary voltage 5 | V | 0 - 0 | |
Secondary voltage 6 | V | 0 - 0 | |
Secondary voltage 7 | V | 0 - 0 | |
Secondary voltage 8 | V | 0 - 0 | |
Secondary voltage 9 | V | 0 - 0 | |
Secondary voltage 10 | V | 0 - 0 | |
Rated apparent power | VA | 1000 | |
Type of insulation material acc. IEC 85 | B | ||
Short-circuit-proof | No | ||
Relative short circuit voltage | % | 2.2 | |
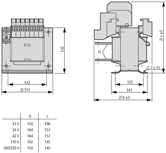
Width | mm | 151 | |
Height | mm | 211 | |
Depth | mm | 150 | |
Degree of protection (IP) | IP00 | ||
Ring core | No | ||
Suitable for mounting on PCB | No | ||
Modular version | No |
Апробации
| Product Standards | UL 506; UL5085-1; UL 5085-2; CSA-C22.2 No. 66; CSA-C22.2 No. 66.1-06; CSA-C22.2 No. 66.2-06; IEC/EN 61558-2-2; CE marking | ||
| UL File No. | E167225 | ||
| UL Category Control No. | XPTQ2, XPTQ8 | ||
| CSA File No. | UL report applies to both US and Canada | ||
| CSA Class No. | – | ||
| North America Certification | UL recognized, certified by UL for use in Canada | ||
| Specially designed for North America | No | ||
| Suitable for | Branch circuits | ||
| Max. Voltage Rating | 600 V AC | ||
| Degree of Protection | IEC: IP00, UL/CSA Type: - |
Данный товар вы всегда сможете купить по низкой цене с доставкой у нас в магазине МВБ по номеру телефона 8 495 185-05-44 или написав на почту zakaz@security-master.ru
Характеристики
| В наличии | Да |
| Срок поставки | 6-7 недель |
