Схема магнитного пускателя
Магнитный пускатель это устройство состоящее из контактора и обвязки, предназначенное для управления электродвигателями. Различные схемы подключения магнитных пускателей и их отличия рассмотрим ниже.
В состав магнитного пускателя входит контактор, а так же может быть:
- тепловое реле;
- реле напряжения; реле тока;
- комплект для реверсирования.
Подключение двигателя через магнитный пускатель
В целом, схема магнитного пускателя выглядит так:
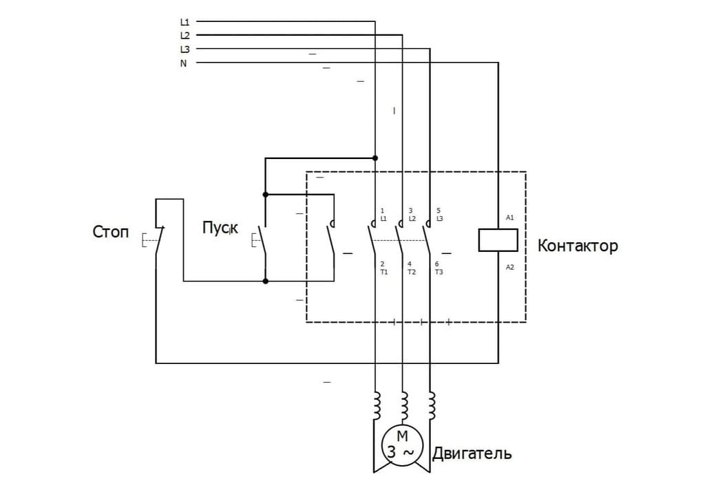
Изображение 1. Схема подключения контактора через кнопку пуск стоп
Работает это следующим образом. При нажатии на кнопку Пуск, питание поступает на катушку магнитного пускателя и он срабатывает. Замыкаются его основные группы контактов, а также одна дополнительная группа, подключенная параллельно кнопке. После отпускания кнопки, ток на катушку будет поступать через дополнительный контакт, который замкнул сам же контактор при включении. То есть контактор включает сам себя.
Отключение происходит нажатием на кнопку Стоп, которая в нормальном положении замкнута. При ее срабатывании, обрывается цепь питания катушки и контактор отключается. Таким образом схема включения магнитного пускателя до безобразия проста в реализации и подключении и реализовать схему подключения электродвигателя через магнитный пускатель сможет любой электрик или любитель.
Рассмотрим подключение магнитного пускателя через кнопочный пост, схема которого изложена ниже.
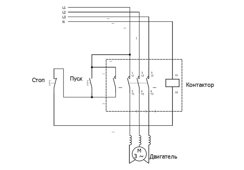
Изображение 2. Магнитный пускатель с кнопками пуск стоп
На изображении выше мы постарались максимально просто показать схему подключения контактора 220в и кнопочного поста для управления какой в либо нагрузкой 380в, в частности электродвигателя на самых популярных изделиях фирмы IEK. Такие задачи встречаются ежедневно на производствах, в офисных зданиях для управления кондиционированием и вентиляцией, в ресторанах и кафе для управления вытяжками.
Если Вы хотите выполнить подключение трехфазного двигателя через магнитный пускатель, нужно подготовить:
- контактор с 3НО силовыми контактами и 1НО дополнительным контактом;
- кнопка пуск с 1НО группой;
- кнопка стоп с 1НЗ группой контактов или совмещенную кнопку Пуск Стоп;
- корпус для размещения оборудования;
- провода небольшого сечения, вроде ПВ3 1,0 для коммутации цепей управления.
Иногда бывает необходимость подключение электродвигателя 380в через магнитный пускатель с целью защиты или удаленной коммутации. Для примера на Изображении 3 рассмотрим включение трехфазного магнитного пускателя через обычный тумблер или кнопку с фиксацией. На месте тумблера может быть:
- реле задержки на включение или отключение;
- реле напряжения;
- реле тока;
- удаленная команда управления от PLC контроллера;
- выключатель.
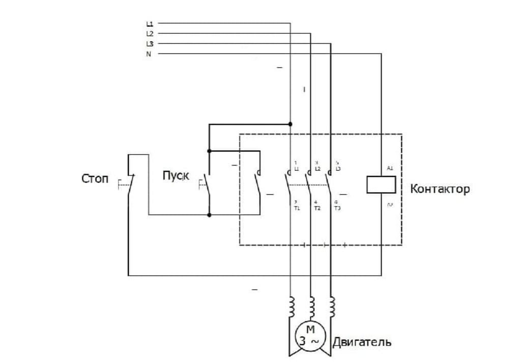
Изображение 3. Схема подключения электродвигателя через магнитный пускатель
В этом примере прибор сигнальной коммутации просто включен в разрыв питания катушки, по сути это подключение контактора через выключатель. Точно так же выглядит схема подключения контактора 220в модульной серии с тем лишь отличием, что модульные устройства не предназначены для коммутации асинхронных электродвигателей, конденсаторов и других промышленных нагрузок.
Подключение магнитного пускателя на 380
Иногда нужно пользоваться контактором с катушкой 380в, а не 220в. Например, когда отсутствует нейтраль в сети или нужно организовать простейшую защиту от обрыва фазы. Предложенное решение будет защищать от обрыва всего 2х фаз из трех, но это лучше, чем ничего. В примере ниже контактор питается от линейного напряжения, от двух фаз. Если одна из них пропадет, контактор отключится и защитит двигатель от выхода из строя.
Изображение 4. Подключение контактора, схема 380
Схема подключения трехфазного двигателя через магнитный пускатель
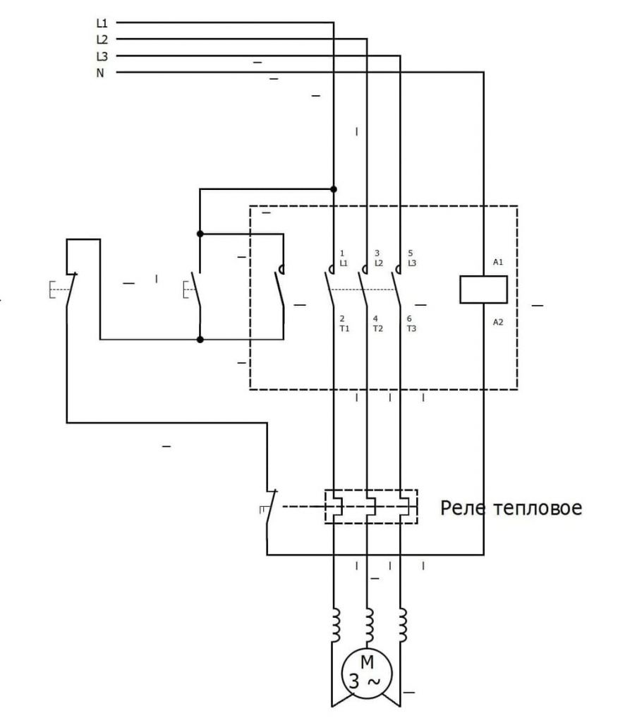
В примере ниже реализована схема магнитного пускателя с кнопками Пуск Стоп, но уже с использованием теплового реле. Данное устройство разомкнет цепь питания катушки контактора своим допконтактом, если ток уставки превысит установленное значение. И никакой электроники! Внутри установлена биметаллическая пластина, которая деформируется при определенном нагреве, вызванным повышенными токами. Такая деформация размыкает контакты и обесточивает цепь управления. Все предельно просто!
Изображение 5. Схема включения электродвигателя через магнитный пускатель
Подобная схема подключения асинхронного двигателя через магнитный пускатель защитит мотор от:
- низкого/высокого напряжения в сети - перекоса фаз;
- возгорания в случае клина мотора;
- длительных перегрузок.
Используя вышеупомянутую конструкцию можно избежать дорогостоящего ремонта и простоя производства. Магнитный пускатель 380в, схема подключения которого изложена выше, является самым распространенным способом базовой защиты асинхронных электродвигателей, как от внешних факторов, так и от дурака. На рынке даже доступны уже собранные изделия в герметичной оболочке, если вы сомневаетесь в своих силах или в силах вашего персонала. Ассортимент товаров начинается от токов 9А с огромным выбором электротепловых реле.
Также вы можете купить контактор в реверсивной сборке.
Еще раз напомним, что контакторы выпускаются с широким разнообразием напряжений катушек управления. Среди них:
- 220В
- 380В
- 24В
- 12В
- 36В
- 42В
- 110В
Магнитный пускатель 220в, схему подключения которого мы изложили выше - универсальный вариант подключения оборудования.
Также бывают изделия с катушкой управления на постоянный ток. Они удобны при использовании с промышленными логическими контроллерами как и все автоматы мира, которые в основном, питаются от 12-24В DC.
Немаловажным параметром изделия является номинальный ток. У контакторов в щитовом исполнении, производители указывают его для категорий АС-3 и АС-1. АС-3 работа с электродвигателями, а АС-1 - работа со слабоиндуктивными нагрузками, вроде ламп накаливания и ТЭНов. Это ключевой параметр, влияющий на ресурс силового коммутатора.
Огромный ассортимент контакторов и магнитных пускателей в сборе Вы сможете найти
на нашем сайте в большом диапазоне цен.
